10mm 系列三用接头
货号: 529525 | 规格:3/8" 方孔×3/8 方头×3/8" 圆孔
图片
产品介绍
规格参数
10mm 系列三用接头
货号: 529525 | 规格:3/8" 方孔×3/8 方头×3/8" 圆孔
产品介绍

优质Cr-V 钢锻造而成, 力学性能卓越

表面全抛光处理, 三层镍镍铬防锈镀层

建议配合长城精工3/8" 系列棘轮扳手

10mm 系列三用接头
10mm 系列三用接头
10mm 系列三用接头
10mm 系列三用接头
10mm 系列三用接头
10mm 系列三用接头
10mm 系列三用接头
货号: 529525 | 规格:3/8" 方孔×3/8 方头×3/8" 圆孔
产品介绍

优质Cr-V 钢锻造而成, 力学性能卓越

表面全抛光处理, 三层镍镍铬防锈镀层

建议配合长城精工3/8" 系列棘轮扳手

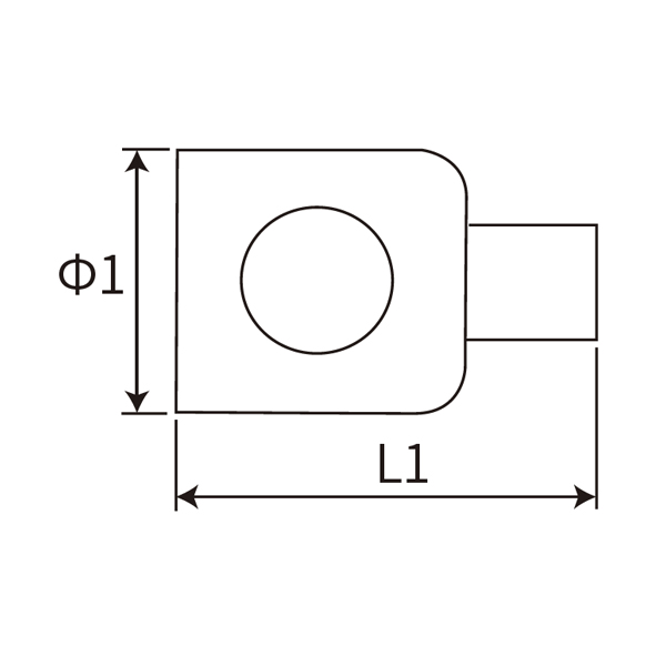
规格参数
货号 529525
规格 3/8" 方孔×3/8 方头×3/8" 圆孔
L1 41
Φ1 23.7
盒装 6
箱装 240
包装形式 彩盒